Turbine Operated Wafer Butterfly Valve

Size Range: 2.5''/DN65

Pressure: 5K/10K/150LB

Body Materials: Ductile Iron

Seat Materials: EPDM

Disc Materials: Ductile Iron

Stem Materials: stainless steel

INTRODUTCTION

ADVANTAGES

  • Bundor patented valve products

    Valve side flange conform to a variety of domestic and foreign standards of multiple pressures, easy connection, wide adaptability.

  • Strong pressure bearing capacity of valve body wall

    Valve body wall thickness to meet the requirements of GB 26640, thick thickness, pressure strength is guaranteed.

  • Spherification rate 3, suitable for higher working pressure

    Valve body is qt450-10 material, mechanical properties are stronger, the same thickness of tensile strength is twice the iron body.

  • Wide edge seat with reliable sealing performance

    Convenient installation of valve, wide contact surface with flange boss on pipeline, reliable sealing performance.

  • Solid valve body, more stable

    Valve body is solid body, same caliber weight is heavier than other manufacturers.

  • Valve shaft support is strong, axial sealing is reliable

    Valve shaft and valve body with 4 oil-free bearings, 3 O sealing, valve shaft support more powerful, more reliable axial sealing.

FEATURES

Applicable medium:fresh water, sewage, sea water, weak acid and alkali, air, steam, etc.
Suitable temperature:according to seat material
Application field: municipal construction, water treatment, power, water supply and drainage, water conservancy projects.

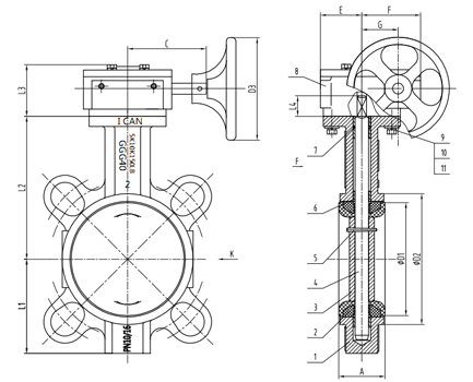
PARAMETERS

Parts 1 2 3 4 5 6
Name Body Seat Disc Stem O-rings Handle
Material  DI EPDM DI SS420 NBR Cast Iron
 
NPS DN A D1 D2 L1 L2 L3 L4 B C E F G φD3 Top Flange
2″ DN50 45 73.3 92.3 75 129 59 24 9 110 45 67 44 136 F05
2.5″ DN65 49 86 107 82 136 59 24 9 110 45 67 44 136 F05
3″ DN80 49 100.9 122 99 153 59 24 9 110 45 67 44 136 F05
4″ DN100 55 132 153 110 167 59 24 11 110 45 67 44 136 F07
5″ DN125 58.5 156 179 125 193 59 24 14 110 45 67 44 136 F07
6″ DN150 59 185.4 208.4 145 209 59 24 14 110 45 67 44 136 F07
8″ DN200 64.5 235.2 262.3 170 251 75 30 17 172 61 85 53 277 F10
10″ DN250 72 289.4 316.3 213 283 75 30 22 172 61 85 53 277 F10
12″ DN300 82 341.2 372 240 315 82 30 22 165 78 109 79 277 F10

RELATED PRODUCT

Check valves, globe valves, ball valves, filters, rubber joints, etc. are commonly used pipe accessories in fluid pipelines, with functions such as cut-off, regulation, diversion, prevention of backflow, pressure regulation, diversion, or pressure relief. It is commonly used to control the flow of various types of fluids such as air, water, steam, various corrosive media, mud, oil products, liquid metals, and radioactive media.

NEWS FEATURE

Structural characteristics of threaded valves
Oct-12,2018Industry News

Threaded connection is a simple valve connection used for small diameter valves.It is different from other connections.

How can valve corrosion be prevented?
Oct-12,2018Industry News

This article describes how to choose the right material for different valve body corrosion protection requirements.

Installation instructions for wafer butterfly valve
Oct-12,2018Industry News

We will introduce the wafer butterfly valve installation method.It is the most common type of industrial pipe valve.

What are the common valve driving modes?
Oct-12,2018Industry News

Valve drive mode has manual, pneumatic, electric and so on.We can choose the driving mode according to different needs.

Common material for flange gate valves
Oct-12,2018Industry News

Copper sealed cast steel body gate valve is certain, cast iron or cast steel body can be surfacing copper alloy, but acc

The inquiry information of handle operated butterfly valve
Oct-12,2018Industry News

Connection form: the connection form mainly has to the clamp, the flange, the clamp and so on, the different connection

Good performance of soft seal gate valve
Oct-12,2018Industry News

The body material is ductile iron, while the traditional gate valve material is usually cast iron. The soft sealing gate

Relevant policy analysis on valve industry
Oct-12,2018Industry News

Valve industry belongs to equipment manufacturing industry and is a strategic target industry providing technical equipm

The future development trend of Chinese valve
Oct-12,2018Industry News

Market competition has led to China's valve round after round of fierce competition, the development trend of the futur

Bundor professional after-sales service cases
Oct-12,2018Company News

Bundor quickly dispatched a professional technical team to the customer's engineering site to investigate the problems.

Contact us now if you have any questions about our company and products.We will retain your information completely private.

FAQ

Who should we contact if there is after-sale problem?

You can send mail to info@bundorvalve.com or call us directly to Ms.Shirley. Business scopes spreads to middle China,West China,East China,South China and 76 countries &areas all over the world. We are familiar with all types of enterprises development strategy. Through reliable products and perfect services, the brand of Bundor has won extensive praise from customers.

What certificated does the factory have?

Bundor has 117 products patents and passes CE, CU-TR, API, WRAS, ISO9007, ISO18001, ISO14001, AAA credit grade certificate. Strictly in accordance with ISO, API, JIS, DIN and other standards for valve production, the factory has a perfect enterprise standardization system, has more than 80 sets of high-precision mechanical equipment and quality testing equipment. Can provide more than 10000 kinds of valve models, with a perfect computer system, with independent product research and development capabilities.

Which port is the nearest port from factory?

Bundor valve is located in jinan area, tianjin city, is a collection of scientific research, design, production, sales and after-sales service as one of the professional valve manufacturers, its main export port is tianjin port. Tianjin port is an important comprehensive port and foreign trade port in north China. After the order is confirmed, production can be arranged in 24 hours to ensure the delivery time. Bundor valve always adhere to science and technology and quality peers, dare to innovate, the pursuit of excellence.

What’s the payment terms?

T/T, L/C, D/P D/A, PayPal, Western Union, Cash, Escrow are all allowed. Bundor valve has a set of perfect international trade system. From international trade marketing promotion to international trade negotiations, the group's international trade market of Bundor has been developing steadily in developing countries and regions such as Asia, Africa and Latin America, and has successfully opened markets in developed countries and regions such as Europe and America.

Founded in 1990s, Bundor is an experienced manufacturing and trading combo specialized in the research & development, production and sales of Butterfly valve, gate valve, check valve, globe valve and other valves. 26 years adhering to the principle of manufacturing process of competent valve fittings,the control of valve manufacturing throughout all the production processes, correctly understand customer requirements, and commit to provide products that ensure customer satisfaction.Our team